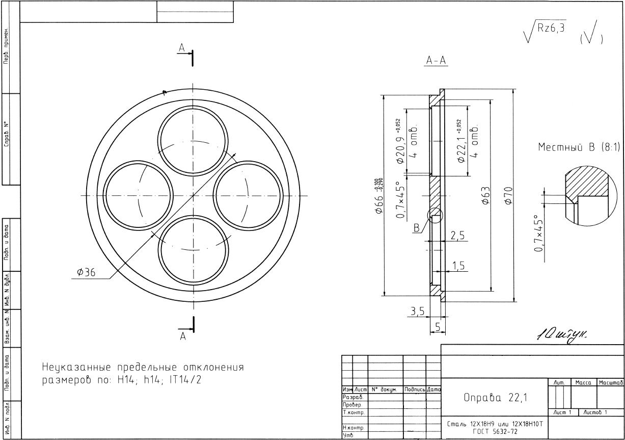
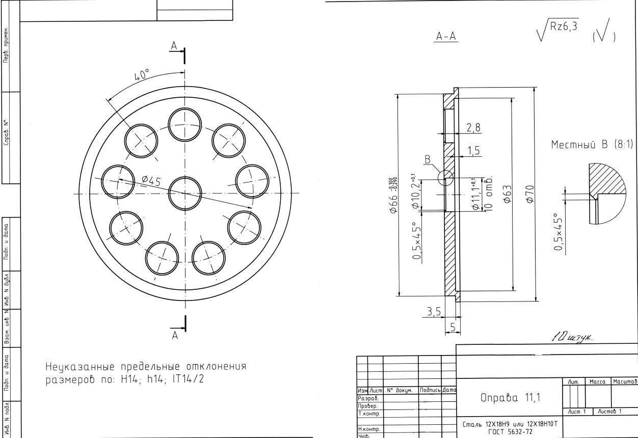
Оправа
Заказ №1153 от 12.02.2026
Открыт (сбор предложений)
Описание заказа
Изготовить оправы по чертежам, три наименования по 10 шт.
Безналичный расчет по счету или договору.
Контактные данные
Контакты заказчика доступны только зарегистрированным пользователям
Локация заказа
Москва и Московская областьПрикрепленные файлы
Заявки на исполнение
Заявок на исполнение еще нет…
Разместить заявку на исполнение




